|
Semi-Electric Pallet Truck
Product Model :
|
Semi-Electric Pallet Truck SE series
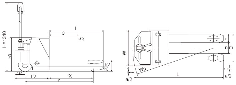
Model
SE15S SE15L SE20S SE20L Capacity (kg) 1500 1500 2000 2000 Max. Fork Height h2 (mm) 205 (or 195) 205 (or 195) 205 (or 195) 205 (or 195) Min. Fork Height h (mm) 85 (or 75) 85 (or 75) 85 (or 75) 85 (or 75) Fork Overall Width m (mm) 520 680 520 680 Travelling Speed With Load (km/h) 5 5 5 5 Without Load (km/h) 6.5 6.5 6.5 6.5 Overall Height H (mm) 1310 1310 1310 1310 Overall Width W (mm) 730 730 730 730 Dimension n (mm) 200 360 200 360 h3 (mm) 620 620 620 620 Wa (mm) 1350 1500 1350 1500 1350 1500 1350 1500 Overall length L (mm) 1650 1800 1650 1800 1650 1800 1650 1800 Fork Length l (mm) 1000 1150 1000 1150 1000 1150 1000 1150 Load Centre C (mm) 600 650 600 650 600 650 600 650 Load distance X (mm) 795 945 795 945 795 945 795 945 Wheel Base Y (mm) 1240 1390 1240 1390 1240 1390 1240 1390 Net Weight (without nattery) (kg) 215 223 225 233 238 247 248 257 Drive Wheel, Ployurethane Motor 1200W, Wheel Φ250×80mm Motor 1200W, Wheel Φ250×80mm Battery (service free) (Ah/V) 80/24 80/24 Battery Charger (A/V) 8/24 8/24 Traction Battery (option) (Ah/V) — — 165/24 165/24
* Heavy Duty Design
* Brake system:
Integral electromagnetic disk brake mounted on motor shaft.
* Drive wheel:
complete gear train mounted on ball and roller bearing in oil bath
housing. High-torque horizontally mounted motor has copper graphite
brushes for excellent lubricate.
* Load roller:
Tandem Polyurethane: Φ78×70mm.



